进口气动小流量调节阀
(关键词:气动微小流量控制阀,气动流量调节阀,加药装置流量调节阀)
一、进口气动小流量调节阀 产品概述
德国沃德WODE的进口气动微小流量调节阀,简称气动小流量调节阀,是由沃德公司针对小流量工况研发的一款产品。它由气动薄膜执行器及微小流量调节阀阀体组成,多弹簧执行机构高度低、重量轻、装备简便。气动小流量调节阀具有体积小、重量轻、性能高、用于微小流量的控制等特点。调节不干净介质时,应针对其节流间隙小的问题,注意预防堵卡现象的发生。气动小流量调节阀适用于液体、蒸汽等介质的主流量调节场合。
二、进口气动小流量调节阀 主要技术参数
公称通径(DN) | G3/8"、1/2"、G3/4"、G1" | ||||||||||||
阀座直径(dn) | 1.5 | 2 | 3 | 4 | 5 | 6 | 7 | 8 | 9 | 10 | 11 | 12 | 15 |
额定流量系数KV | 0.025 | 0.05 | 0.08 | 0.12 | 0.20 | 0.32 | 0.50 | 0.80 | 1.00 | 1.40 | 1.55 | 1.85 | 2.23 |
允许压差(MPa) | ≤公称压力 | ||||||||||||
公称压力(MPa) | 1.6、2.5、4.0、6.4、10.0、16.0、25.0、32.0或者ANSI Class150~Class2500 | ||||||||||||
配用执行器型号 | ZHA/B-11 | ||||||||||||
额定行程(mm) | 8 | 10 | 12 | ||||||||||
阀盖形式 | 标准型(-17~+250℃)、高温型(+250~+450℃)、低温型(-40~-196℃)、波纹管密封型(-40~+350℃) | ||||||||||||
压盖形式 | 螺栓压紧式 | ||||||||||||
密封填料 | V型PTFE、V型柔性石墨填料 | ||||||||||||
阀芯形式 | 单座式 | ||||||||||||
流量特性 | 等百分比、直线性 | ||||||||||||
注:用于氧气的调节阀德国沃德WODE阀门均选用不锈钢材质,并脱脂去油处理。
三、进口气动小流量调节阀 执行器技术参数
配置执行器类别 | ZHA/B多弹簧簿膜执行机构 |
执行器型号 | ZHA/B-11 |
有效面积(cm2) | 200 |
行程(mm) | 10、16 |
弹簧范围(KPa) | 20~100(标准)、20-60、60-100、40-200、80-240 |
膜片材料 | 丁腈橡胶夹尼龙布、乙丙橡胶夹尼龙布 |
供气压力 | 140~400KPa |
气源接口 | RC1/4" |
环境温度 | -30~+70℃ |
可配附件 | 定位器、空气过滤减压器、保位阀、行程开关、阀位传送器、手轮机构等 |
作用形式 | 气关式(B)—失气时阀位开(FO);气开式(K)—失气时阀位关(FC) |
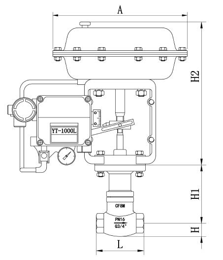
四、进口气动小流量调节阀 结构图

注:由于网站版面的原因,具体外形尺寸请致电沃德各代理商。
如有任何疑问.您可以致电给我们,我们一定会尽心尽力为您提供优质的服务!如果您有需要咨询更详细的产品信息;迎联系德国沃德WODE授权一级代理商:北京永德宝阀门有限公司
































冀公网安备13010402003046号