进口气动压力调节阀
一、进口气动压力调节阀 产品概述
德国沃德WODE进口气动压力调节阀是一种压力平衡式调节阀,采用单座、套筒式结构,配用多弹簧气动薄膜执行机构,执行机构高度低、重量轻、装备简便。气动压力调节阀阀芯采用笼式套筒阀芯,将气源压力变换为阀芯的直线位移,自动的控制调节阀开度,达到对管道内流体的压力连续调节。气动压力调节阀具有结构紧凑、重量轻、动作快、压降损失小、阀容量大、流量特性精度高、维护方便等优点。整体具有工作平稳、允许压差大、流量特性精度高、噪音低等特点。
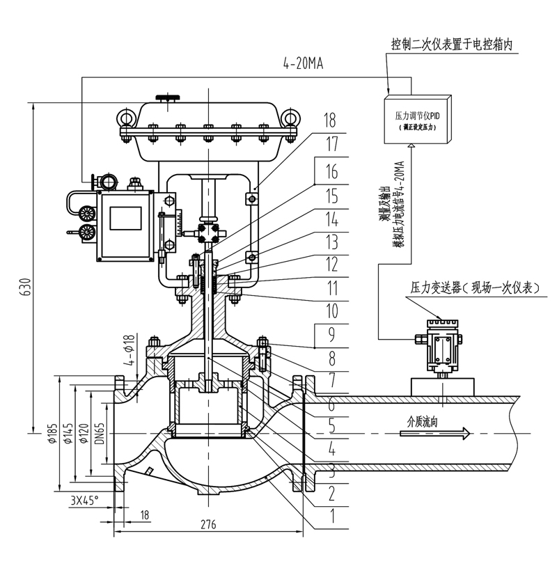
德国沃德WODE阀门公司开发设计的气动压力控制系统,是由气动调节阀、压力变送器、压力调节仪(PID调节仪)组成,可以完成现代工业过程中对管道压力的全自动控制。具有安装方便、响应快、控制精度高、整定方便、性能可靠、压差高等特点。广泛适用于化工、食品、生物医药、环保、冶金、给排水、造纸、电力等行业。
二、进口气动压力调节阀 主要技术参数
公称通径(DN) | 20 | 25 | 32 | 40 | 50 | 65 | 80 | 100 | 125 | 150 | 200 | 250 | 300 | |
阀座直径(dn) | 20 | 25 | 32 | 40 | 50 | 65 | 80 | 100 | 125 | 150 | 200 | 250 | 300 | |
额定流量系数(KV) | 单座 | 6.9 | 11 | 17.6 | 27.5 | 44 | 69 | 110 | 176 | 275 | 440 | 630 | 875 | 1250 |
套筒 | 6.3 | 10 | 16 | 25 | 40 | 63 | 100 | 160 | 250 | 360 | 570 | 850 | 1180 | |
公称压力(MPa) | 1.6、2.5、4.0、6.4、10.0、16.0、25.0或者ANSI Class150~Class2500 | |||||||||||||
额定行程(mm) | 16 | 25 | 40 | 60 | 100 | |||||||||
执行器型号 | ZHA/B-22 | ZHA/B-23 | ZHA/B-34 | ZHA/B-45 | ZHA/B-56 | |||||||||
阀盖形式 | 标准型(-17~+250℃)、高温型(+250~+450℃)、低温型(-40~-196℃)、波纹管密封型(-40~+350℃) | |||||||||||||
压盖形式 | 螺栓压紧式 | |||||||||||||
密封填料 | V型PTFE、V型柔性石墨填料 | |||||||||||||
阀芯形式 | 单座式、套筒式 | |||||||||||||
流量特性 | 等百分比 | |||||||||||||
允许压差(MPa) | 单座 | 3.8 | 3.2 | 3.0 | 2.0 | 1.8 | 1.5 | 1.4 | 1.0 | 0,7 | 0.6 | 0.5 | 0.3 | 0.1 |
套筒 | 6.4 | 6.4 | 5.2 | 5.2 | 4.6 | 4.6 | 3.7 | 3.7 | 3.5 | 3.1 | 3.1 | 2.6 | 2.2 | |
注:用于氧气的调节阀德国沃德WODE阀门均选用不锈钢材质,并脱脂去油处理。
三、进口气动压力调节阀 执行器技术参数
配置执行器类别 | ZHA/B多弹簧簿膜执行机构 | ||||
执行器型号 | ZHA/B-22 | ZHA/B-23 | ZHA/B-34 | ZHA/B-45 | ZHA/B-56 |
有效面积(cm2) | 350 | 350 | 560 | 900 | 1400 |
行程(mm) | 10、16 | 24 | 40 | 40、60 | 100 |
弹簧范围(KPa) | 20~100(标准)、20-60、60-100、40-200、80-240 | ||||
膜片材料 | 丁腈橡胶夹尼龙布、乙丙橡胶夹尼龙布 | ||||
供气压力 | 140~400KPa | ||||
气源接口 | RC1/4" | ||||
环境温度 | -30~+70℃ | ||||
可配附件 | 定位器、空气过滤减压器、保位阀、行程开关、阀位传送器、手轮机构等 | ||||
作用形式 | 气关式(B)—失气时阀位开(FO);气开式(K)—失气时阀位关(FC) | ||||
四、进口气动压力调节阀 结构图

注:由于网站版面的原因,具体外形尺寸请致电沃德各代理商。
如有任何疑问.您可以致电给我们,我们一定会尽心尽力为您提供优质的服务!如果您有需要咨询更详细的产品信息;迎联系德国沃德WODE授权一级代理商:北京永德宝阀门有限公司
































冀公网安备13010402003046号