进口精小型气动薄膜调节阀
(关键词:进口气动单座调节阀,气动薄膜调节阀,气开式调节阀,气关式调节阀)
一、进口精小型气动薄膜调节阀 产品概述
德国沃德WODE的进口精小型气动薄膜调节阀,由多弹簧气动薄膜执行机构和低流阻精小型调节阀阀体组成,多弹簧执行机构高度低、重量轻、装备简便。精小型气动调节阀阀体流道呈S流线型,具有结构紧凑、重量轻、动作快、压降损失小、阀容量大、流量特性精度高、维护方便等优点,可用于苛刻的工作条件。
气动薄膜调节阀配用电-气阀门定位器或气动阀门定位器,可实现对工艺管路流体介质的自动调节控制。精小型气动调节阀主要应用于控气体、液体、蒸汽等介质的工艺参数如压力、流量、温度、液位等参数保持在给定值气。精小型气动调节阀适用于允许泄露量小、阀前后压差不大及有一些粘度和含少量纤维介质的场合。
二、进口精小型气动薄膜调节阀 主要技术参数
公称通径(DN) | 20 | 25 | 32 | 40 | 50 | 65 | 80 | 100 | 125 | 150 | 200 | 250 | 300 | |
阀座直径(dn) | 20 | 25 | 32 | 40 | 50 | 65 | 80 | 100 | 125 | 150 | 200 | 250 | 300 | |
额定流量系数(KV) | 单座 | 6.9 | 11 | 17.6 | 27.5 | 44 | 69 | 110 | 176 | 275 | 440 | 630 | 875 | 1250 |
套筒 | 6.3 | 10 | 16 | 25 | 40 | 63 | 100 | 160 | 250 | 360 | 570 | 850 | 1180 | |
允许压差(MPa) | 单座 | 3.8 | 3.2 | 3.0 | 2.0 | 1.8 | 1.5 | 1.4 | 1.0 | 0,7 | 0.6 | 0.5 | 0.3 | 0.1 |
套筒 | 6.4 | 6.4 | 5.2 | 5.2 | 4.6 | 4.6 | 3.7 | 3.7 | 3.5 | 3.1 | 3.1 | 2.6 | 2.2 | |
公称压力(MPa) | 1.6、2.5、4.0、6.4、10.0、16.0、32.0或者ANSI Class150~Class2500 | |||||||||||||
额定行程(mm) | 16 | 25 | 40 | 60 | 100 | |||||||||
执行器型号 | ZHA/B-22 | ZHA/B-23 | ZHA/B-34 | ZHA/B-45 | ZHA/B-56 | |||||||||
阀盖形式 | 标准型(-17~+250℃)、高温型(+250~+450℃)、低温型(-40~-196℃)、波纹管密封型(-40~+350℃) | |||||||||||||
压盖形式 | 螺栓压紧式 | |||||||||||||
密封填料 | V型PTFE、V型柔性石墨填料 | |||||||||||||
阀芯形式 | 单座式、套筒式 | |||||||||||||
流量特性 | 等百分比、直线性 | |||||||||||||
注:用于氧气的调节阀德国沃德WODE阀门均选用不锈钢材质,并脱脂去油处理。
三、进口精小型气动薄膜调节阀 执行器技术参数
配置执行器类别 | ZHA/B多弹簧簿膜执行机构 | ||||
执行器型号 | ZHA/B-22 | ZHA/B-23 | ZHA/B-34 | ZHA/B-45 | ZHA/B-56 |
有效面积(cm2) | 350 | 350 | 560 | 900 | 1400 |
行程(mm) | 10、16 | 24 | 40 | 40、60 | 100 |
弹簧范围(KPa) | 20~100(标准)、20-60、60-100、40-200、80-240 | ||||
膜片材料 | 丁腈橡胶夹尼龙布、乙丙橡胶夹尼龙布 | ||||
供气压力 | 140~400KPa | ||||
气源接口 | RC1/4" | ||||
环境温度 | -30~+70℃ | ||||
可配附件 | 定位器、空气过滤减压器、保位阀、行程开关、阀位传送器、手轮机构等 | ||||
作用形式 | 气关式(B)—失气时阀位开(FO);气开式(K)—失气时阀位关(FC) | ||||
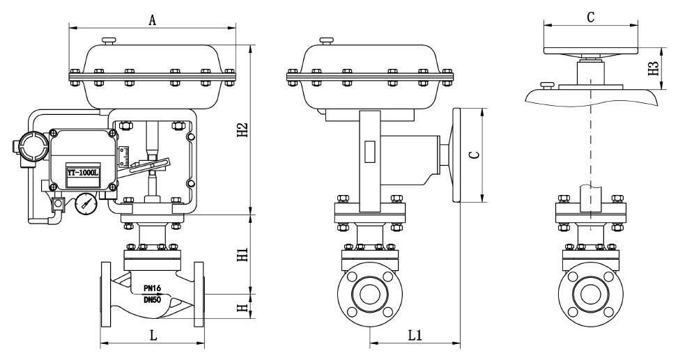
四、进口精小型气动薄膜调节阀结构图

注:由于网站版面的原因,具体外形尺寸请致电沃德各代理商。
如有任何疑问.您可以致电给我们,我们一定会尽心尽力为您提供优质的服务!如果您有需要咨询更详细的产品信息;迎联系德国沃德WODE授权一级代理商:北京永德宝阀门有限公司
































冀公网安备13010402003046号