进口气动UPVC蝶阀(进口气动塑料蝶阀、进口塑料对夹式蝶阀、进口UPVC阀门、进口塑料防腐蝶阀)
品牌:德国沃德WODE
进口气动UPVC塑料蝶阀具有耐腐蚀性强,耐磨损,阀体重量轻等优点,且应用范围广,阀体结构采用中线式,容易拆卸,维护简单,适用于水、空气、油类、腐蚀性化学液体。气动塑料蝶阀通过压缩空气即可直接进行开关量调节,装配上阀门定位器输入4-20mA信号,可对介质流量,压力,温度等参数进行调节,被应用于一般纯水和生饮水的管路系统、排水和污水管路系统、盐水和海水管路系统、酸碱和化学溶液系统等多个行业,品质得到广大用户的认可。

进口气动UPVC蝶阀特点:
1、材质卫生无毒,结构简单、体积小、重量轻、材料耗用省,安装尺寸小;
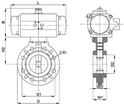
2、连接是由两端的法兰对夹而成,方便拆卸维修,耐磨损、容易拆卸,维护简单易;
3、气动UPVC蝶阀开关迅速、90度往复回转,驱动力矩小。
4、气动塑料蝶阀根据不同的介质有多种材料可选,耐腐蚀性强,体积小,适用于多种管路,应用范围广。
进口气动UPVC蝶阀技术参数:
公称通径 | DN25~400mm |
公称压力 | PN 1.0 、1.6Mpa |
连接方式 | 对夹式 |
适用温度 | 0~+60℃ |
结构形式 | 对夹式中线A型 |
阀芯结构 | 圆盘式中线阀芯 |
阀体材质 | UPVC、CPVC、PP、PVDF |
阀芯材质 | UPVC、CPVC、PP、PTFE |
密封材质 | FPM、EPDM、NBR |
适用介质 | 水,油品,气等腐蚀性介质 |
产品特点 | 体积小、重量轻、结构简单、耐腐蚀性强 |
可选附件 | 限位开关、定位器、电磁阀、减压阀 |
进口气动UPVC蝶阀执行机构:
驱动方法:压缩空气(可带手轮)
供气压力:0.4-0.7mpa
气源接口:G1/4"、G1/8"、G3/8"、G1/2"
环境温度:-30~+70℃
作用形式:
单作用(弹簧复位):气关式(B)--失气时阀位开(FO);气开式(K)--失气时阀位关(FC)
双作用(通气开关):气关式(B)--失气时阀不变(FL);气开式(K)--失气时阀不变(FL)
可选附件:定位器、电磁阀、空气过滤减压器、保位阀、行程开关、阀位传送器、手轮机构等。
注:由于不同工况及用户的不同要求,价格有所差别,具体以代理商报价为准。
如果您有需要咨询更详细的产品信息
欢迎联系德国沃德WODE授权一级代理商:北京永德宝阀门有限公司
































冀公网安备13010402003046号