

一、产品用途及优点
除氧器是锅炉及供热系统关键设备之一,每年因氧腐蚀对锅炉给水管道、省煤器和其它附属设备的腐蚀造成的严重损失,已引起国家电力部越来越多的注意,电力部颁步了GB1576-2001《工业锅炉水质标准》和《电站压力式除氧器安全技术监察规程》,对除氧器含氧量提出了部颁标准,即低压除氧器给水含氧量应小于15цɡ/L,高压除氧器给水含氧量应小于7цɡ/L。
旋膜式除氧器的传热、传质方式及除氧能力与已有的淋水盘式、喷雾式不同,它是新型热力除氧器,曾获电力部新科技新产品科技攻关成果创新奖,被列为电力部重点推广产品。旋膜式除氧器经使用证明具有以下优点:
1:除氧能力高,除氧后给水含氧量合格率一百分。
2:运行稳定,无震动。可适用于负压启动、滑压运行,减免了启动和运行中的人工繁杂调节操作。
3:适应性能好,对水质、水温要求不苛刻,可短时超出力50%运行。
4:排汽量小于入口水量的0.1%,不需另加排气冷却器,优化了设备,降低了热耗值,比同出力其它类型热力除氧器少耗能1/3。
二、技术特性和配套参数

CYG-系列新型压力式除氧器

三、结构及原理(附图)
旋膜式除氧器的结构是由除氧头和水箱组成。除氧头的结构由外壳、旋膜器组、水篦子、液汽网、蒸汽分配盘、汽水分离器六大部分组成。水箱由主体及附件组成。
1、外壳:是由筒身和冲压椭圆形封头焊制成。
2、膜器组:由水室、起膜管、凝结水接管、补充水接管组成。起膜管、下水管材料均由不锈钢制造,常年运行无需检修,也是旋膜式除氧器主要部分,98%的氧由此除去。
3、淋水篦子:经起膜段除氧的给水及由疏水管引进的疏水在这里进行减流二次分配,使水呈均匀淋雨状下落,从而保护其下部液汽网。水篦子空间面积不小于总截面的50%,不锈钢结构,常年运行无需检修。
4、填料液汽网:是由相互间隔的扁钢带及一个圆筒体,内装两层高度特制的O型0.3mm不锈钢扁丝网,给水在这里与二次蒸汽充分接触,加热到饱和温度并进行深度除氧,以保证除氧水中含量。
5、蒸汽分配盘:主加热蒸汽由此接进,规则均分型结构能很好保证加热质量,使加热蒸汽呈现均分状态其在无节流工况下上升加热软化水,达到饱和温度下工作除氧。
6、汽水分离器:由不锈钢填料组成内网,外壳设计为通气型结构,能有效的将排氧时的汽带水分离回流,是排汽不带水的必不可少部件。
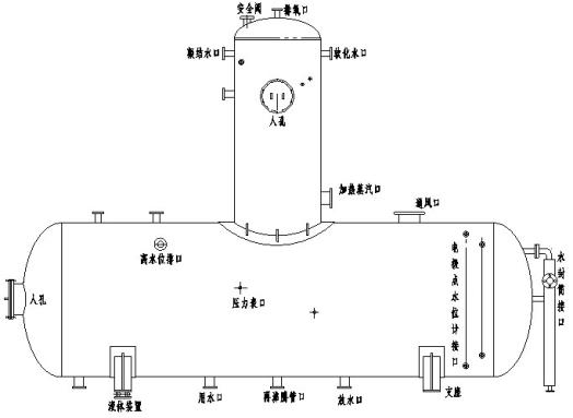
7、水箱:是由筒身和冲压椭圆形封头焊制成,内部设置加强圈,底座固定在预制的工作台上,一端固定,另一端为安装膨胀滚体装置。水箱上设有检修人孔、安全阀接管口、排水口、再沸腾管口、水封筒口、水位计接口、压力表口、温度表口、用水口等。

除氧器热力除氧基本原理:在容器中,溶解于水中的气体量是与水面上气体的分压成正比。采用热力除氧的主法,即用蒸汽来加热给水,提高水的温度,使水面上蒸汽的分压力逐步增加,而溶解气体的分压力则渐渐降低,溶解于水中的气体就不断逸出,当水被加热至相应压力下的沸腾温度时,水面上全都是水蒸汽,溶解气体的分压力为零,水不再具有溶解气体的能力,亦即溶解于水中的气体,包括氧气均可被除去。除氧的效果一方面决定于是否把给水加至相应压力下的沸腾温度,另一方面决定于溶解气体的排除速度,这个速度与水和蒸汽的接触表面积的大小有很大的关系。
旋膜式除氧器工作原理(射流、吸卷、紊流、传热、传质、水膜裙、淋雨状、饱和)
凝结水及补充水首先进入除氧头内旋膜器组水室,在一定的水位差压下从膜管的小孔斜旋喷向内孔,形成射流,由于内孔充满了上升的加热蒸汽,水在射流运动中便将大量的加热蒸汽吸卷进来(试验证明射流运动具有卷吸作用);在极短时间很小的行程上产生剧烈的混合加热作用,水温大幅度提高,而旋转的水沿着膜管内孔壁继续下旋,形成一层翻滚的水膜裙,(水在旋转流动时的临界雷诺数下降很多即产生紊流翻滚),此时紊流状态的水传热传质效果蕞理想,水温达到饱和温度。氧气即被分离出来,因氧气在内孔内无法随意扩散,只能随上升的蒸汽从排汽管排向大气。经起膜段粗除氧的给水及由疏水管引进的疏水在这里混合进行二次分配,呈均匀淋雨状落到装到其下的液汽网上,再进行深度除氧后才流入水箱。水箱内的水含氧量为高压0-7 цɡ/L,低压小于15цɡ/L达到部颁运行标准。

因旋膜式除氧器在工作中使水始终处于紊流状态,并有足够大的换热表面积,所以传热传质效果越好,排汽量小(即用与加热的蒸汽量少,能源损失小带来的经济效益也可观)除氧效果好产生的富裕量能使除氧器超负荷运行(通常可短期超额定出力的50%)或低水温全补水下达到运行标准。
四、安装、运行和检修
1、除氧器、水箱及附件的安装、运行和检修,应按CYD(G)-型除氧器系统图及<<电站除氧器安全技术监察规程>>进行。
2、除氧器应放在给水泵上方,除氧水箱蕞低水位与给水泵中心线间的高差应不小于6~7米。水箱支座底板与混凝土间接触密实。
3、在除氧器进水管安装温度变送器、流量传感器,在除氧器安装水位变送器,检测进水温度、进水流量、除氧器水位等信号,并将检测信号输入给计算处理模块,以控制除氧器进水与加热蒸汽的水力工况和热力工况平衡,为达到的除氧效果,保证除氧温度(104±1.5℃),调节安装在蒸汽管道上的电动执行器调节阀门,通入的蒸汽进行加热,随除氧水温高低变化而自动调整蒸汽流量大小。补水停止后,电动执行器自动关闭。
4、水箱下部装有再沸腾管,用于锅炉上水时和机组启动时加热除氧,首次使用,当水箱水位超过一半时,徐徐打开水箱底部再沸腾加热管阀门,以加热水箱内的水,使水箱内的水一直保持着沸腾的状态。机组启动带负荷后即应停止使用。另装在出水箱口装设防旋板,防止低水位时水发生旋流,相应增加水箱有效容积。试验证明,水的旋流对水泵汽蚀影响很大,无防旋板时,水箱水位必须保持管径的3倍高度,有防旋板则可降为1.5倍以下。
5、除氧器和水箱现场焊接后,应进行水压试验,水压试验压力参数为:大气式除氧器0.2Mpa,压力式除氧器0.75Mpa。蒸汽凝结水在送入除氧器前尽量先蓄积在中间贮水箱中,然后将这些凝结水均匀地送入除氧器,以保证除氧器负荷的稳定。
6、旋膜除氧器的保护与报警
(1)水箱和除氧塔上设有足够数量的全启式安全阀,安全阀数量和规格应满足设计技术规程。
(2)旋膜除氧器应装设就地和远方水位计,并具有水位高、低报警装置和危险高、低水位动作装置。除氧器水位变化控制,当水位降低时,自动启动软化水泵(冷凝水泵),给除氧器补水;当水位升高时,水泵自动停止。
7、除氧器冷态起动宜先用辅助蒸汽予热壳体10-15分钟,在一定汽压下,将除盐水送入除氧头,同时调控加大进汽阀,使给水在起膜段加热到接近除氧器运行压力气饱和温度(即102-104℃)。
8、调整水位调节系统,使水箱内水位维持在正常水位±100mm范围内。(两台除氧器需并列运行时,为了平衡除氧器内压力和水位,各个除氧水箱上须有可以连接的汽及水的平衡管。使压力、水温、水位尽可能一致)当水位达到正常水位±200mm即极限水位,高水位放水阀(电动闸阀)能灵活打开放水,水位降低时应自动关闭。运行时应经常检查电动水位调节系统动作是否灵活,补给水调节阀动作是否灵活。
9、将顶部排气阀微开,开启蒸汽管路上阀门,供汽加热,记录进汽压力和温度。调节排汽阀的开度一般开2/3,使排汽量到到每吨除氧水2-3kg左右。
10、除氧器运行时,应先开进水阀,后开加热汽进汽阀,停止时相反。
12、除氧器运行时,如发现有排汽带水现象时,可采取下述方法处理:
a、调节加热蒸汽进气阀
b、检查压力调整装置
c、手动降压运行
d、逐渐关闭二次加热蒸汽截止阀。
13、取样化验水箱中水的含氧量是否合格。若不合格,应调节进水量、进气量、排气量三者的关系使之达到合格。即可向锅炉供水。
14、每隔一定时间化验进水、出水的含氧量,记录各种监控仪表的表值,保证除氧器的正常运行。
15、注意事项
a、当除氧器发生激烈震动及喷水时,即发生水击,应减少进水量。
b、运行时,应注意除氧器内的压力不能剧烈地下降,更不能产生真空现象。
c、如短时间停用,应防止除氧器产生真空或充满空气,应稍微开启旁通蒸汽阀送入少量蒸汽,使除氧头内保持热状态,并从空气排出中排出微量蒸汽。
d、应定期对除氧器进行检验,防止喷管堵塞、填料腐蚀或压实,仪表失灵等。
e、除氧器停用时间较长,应将水箱内的水放干净,以免器体受腐蚀。
五、除氧器一般附件
·安全阀---装在水箱上,当设备内在压力超出允许值时,安全阀自动打开泄压,起安全保护作用。
·压力表---装在除氧器上部,监视设备内的压力。
·温度计---装有水箱下部,监视水箱内水的温度。
·蝶阀---装在加热蒸汽管路上,借助自动调整器,调节加热蒸汽流量,以使除氧器内压保持在额定范围内。
·水封筒---当液位升高时,压差大于水柱压力,平衡破坏,液体通过水封流出。当运行设备气压超出安全值时,又起到泄压作用。
·截止阀---装在补水管上,借助电动水位调节系统,调节补给水流量,以维护水箱的正常水位。
·调节阀---装在补水管上,借助电动水位调节系统,调节补水给水流量,以维护水箱的正常水位。

·电接点液位监控---是由取样电极点测量筒、电接点液位监控仪筒(一次仪表)。超高纯陶瓷电极及显示仪(二次仪表)组成,装在水箱上,监视水箱内的水位 ,并由电极输出4-20毫安信号给控制室来调节个水位阀门。
·磁翻板水位计---装在水箱上, 现场监视水箱内的水位 ,也可接远程并输出4-20毫安信号给控制室来调节个水位阀门。
·平衡容器---与压力/差压变送器、水位计表配套使用,可以在锅炉启动,停炉过程中及正常运行情况下反映除氧器质量(重量)水位。
·电动闸阀---装在水箱放水管路上,当水箱水位超过某一极限时,借助电动水位调节系统,电动闸阀自动打开,将超出极限水位的那部分排到疏水箱去。
·压力自动调整器---自动调节加热蒸汽进口阀门的开度、既调节蒸汽流量,又保持除氧器内压力稳定。
·电动水位调节系统---自动调节补给水流量及控制极限水位放水阀(电动闸阀)。
六、定货提供数据
1:除氧器的出力(T/H)及配备水箱有效容积(m3)。
2:除氧器的工作压力,温度。。
3:只改换除氧器塔的提供原除氧器塔的安装接管图。
七、改造
我厂在整套供应新型水膜式除氧器的同时,还承接有关电厂对淋水盘式、喷雾填料式除氧器的改造。具体表现在:
1、改造费用低,是更换除氧头造价的1/2左右。
2、进度快,易加工和现场改造安装,即利用原除氧头的外壳封头部分,将原除氧头内的淋水盘式或喷雾填料式的部件全部拆除,保留下部进汽盘,然后在下部进汽盘的上方的一定位置加装液汽网和水篦子,然后环形压板进行密封固定,防止今后运行中水汽短路。
3、再把封头与筒体的接口处解开后焊接装进起膜器,按提供的改造方案图连接管道口其它部件,即告完工,验收合格后投运。
4、在改造过程中,一般不增大除氧头的直径,根据具体的实际情况将其高度作适当改变,一般只增高或按原高度装焊。
































冀公网安备13010402003046号