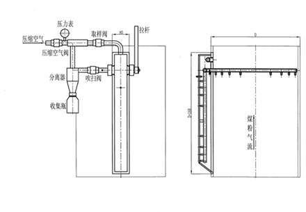
煤粉取样器是火电厂、热电厂、煤粉锅炉制粉系统专用的等速采样设备,用于从一次风煤粉管道内获取均匀、有代表性的煤粉样品,检测煤粉细度、水分、灰分等指标,指导锅炉优化燃烧、保障机组经济环保运行。
一、核心工作原理
遵循等速取样国标(GB/T 18511):
取样枪口的气流流速与管道内煤粉气流流速保持一致,避免流速偏差造成粗细粉取样失真;配合负压抽吸 / 压缩空气吹扫,实现定点、全截面取样,样品代表性强。
二、主要分类
1. 按自动化程度
手动推入式煤粉取样器:人工推进 / 抽出取样枪,结构简单、成本低,适配中小型机组
半自动煤粉取样器:电动伸缩取样枪,减轻人工操作强度
全自动煤粉取样器:PLC 控制,自动完成伸缩→等速取样→吹扫→复位,可远程控制,适配大型火电机组
2. 按安装使用方式
固定式:永久安装在单根煤粉管道,长期定点采样
便携式:体积小巧、可移动,多管道轮换巡检取样
隐臂式 / 伸缩式:非工作时取样管退出管道气流,大幅减少冲刷磨损
三、核心结构组成
取样枪 / 取样探头:耐磨不锈钢材质,等速取样口设计
伸缩推进机构:电动 / 手动,实现探头进出管道
负压抽气组件:射水抽气器 / 射气抽气器,提供取样动力
气粉分离器:分离煤粉与压缩空气,收集样品
吹扫系统:压缩空气吹扫管路,防堵防积粉
控制箱 / 仪表:差压监测、等速调节、行程控制
四、关键性能特点
等速误差≤±5%,取样结果准确可靠
自带吹扫功能,不堵管、不积粉
全不锈钢材质,耐磨耐温,适配高温煤粉气流
安装简便,法兰 / 套管式快速接入管道
全自动机型可实现无人值守、定时取样
五、适用工况与场景
适用介质:煤粉 + 一次风混合气流
常用参数:风温≤350℃,压力≤0.25MPa,流速 10–30m/s
应用场景:直吹式制粉系统、中储式制粉系统、煤粉锅炉调试与日常检测
六、选型关键参数
煤粉管道公称通径 DN
介质温度、工作压力、气流流速
取样方式:手动 / 电动 / 全自动
安装形式:固定 / 便携、法兰 / 焊接
材质要求:304/316L 不锈钢、耐磨涂层





























冀公网安备13010402003046号