一、湿烟羽的定义
烟囱排出的饱和湿烟气与温度较低的环境空气接触时,在烟气降温过程中,烟气中所含水蒸气过饱和凝结,凝结水滴对光线产生折射、散射,从而使烟羽呈现出白色或者灰色,称其为“湿烟羽”(俗称“大白烟”)。重点提示:湿烟羽是羽毛的羽,不是下雨的雨。不是石膏雨!不是烟囱雨!
二、湿烟羽形成机理
如图所示为湿空气的饱和曲线,假设湿烟气在烟囱出口处的状态位于F点,烟气在离开烟囱时处于未饱和和状态。湿烟气与环境空气混合过程开始沿AB线变化,达到B点后烟气变为饱和湿烟气,此后湿空气与环境空气的混合沿着曲线BDE变化,而多余的水蒸汽将凝结成液态小水滴,形成湿烟羽. 根据湿烟羽形成及消散的机理,可将现有的对湿烟羽有治理效果的。
技术归纳为:
1、烟气加热技术,典型的GGH、热管式GGH、MGGH、蒸汽加热器等;
2、烟气冷凝技术,典型的新建喷淋塔、水冷源、空气冷源和其他人工冷源;
3、烟气冷凝再热技术,两种技术组合应用,从经济性出发,单纯的加热和冷凝方式都有各自的限制,加热受到原烟气烟温条件的限制,冷凝受到环境空气、水温度的限制。在此条件下若采用冷凝再热技术,将加热和冷凝结合起来使用,则可扩大系统湿烟羽消除对环境温湿度的适应范围。
三、 湿烟羽主要治理技术
目前国内大多数锅炉、窑炉的烟气在排放前都进行了湿法脱硫,温度降至45-55℃,焦炉脱硫烟气达到65℃,此时的烟气通常是饱和湿烟气。烟气由烟囱直接排出,进入温度较低的环境,在烟气温度降低过程中,烟气中的水蒸汽会凝结形成湿烟羽。
根据湿烟羽形成及消散的机理,可将现有的对湿烟羽有治理效果的技术归纳为烟气加热技术、烟气冷凝技术、烟气冷凝再热技术。目前电力行业内已有投运的烟气冷凝和烟气冷凝再热技术,大多数并非针对湿烟羽的治理,主要目的是减排、收水、节水。其技术指标尚未结合湿烟羽的消除来制定,但在客观上还是起到了湿烟羽治理的效果。
一些燃煤电厂所采用湿式电除尘器、烟道除雾器、声波除雾、烟囱收水环和除雾器等技术虽可去除烟气的凝结水,但由于烟气凝结水在烟气中水汽的占比有限(不到1‰),因此去除烟气的凝结水只能减轻“湿烟羽”,不能有效消除湿烟羽,本文不做深入研究。此外,还有采用冷却塔排放的方式可以实现湿烟羽治理,但更适用于新建机组,不适合现役机组改造,本文亦不对此深究。
四、烟气加热技术
烟气加热技术是对脱硫出口的湿饱和烟气进行加热,使得烟气相对湿度远离饱和湿度曲线。湿烟羽消除机理如图2所示,湿烟气初始状态位于A点,经过加热后按AB升温,再沿BC掺混、冷却至环境状态点C,整个ABC变化过程均与饱和湿度曲线不相交,因此不产生湿烟羽。
前在役的加热技术按换热方式分为两大类:即间接换热与直接换热。间接换热的主要代表技术有:回转式GGH、管式GGH、热管式GGH、MGGH、蒸汽加热器等。直接换热的主要代表技术有:热二次风混合加热、燃气直接加热、热空气混合加热等。各加热技术若按实现湿烟羽治理的同等技术指标,其主要技术经济对比情况如表1所示。
直接加热的技术虽一次投资较低,但因其热源并非利用烟气余热,运行费用高,作为湿烟羽治理的手段代价过大,在实际应用当中案例也少。间接加热技术中,回转式GGH与管式GGH均有不同程度漏风¨,在中国燃煤电厂超低排放的大环境条件下,作为湿烟羽治理手段,其应用也受到限制。热管式GGH大型化后,将使吹灰器布置有一定难度,且加大了占地面积引,在大机组上暂无应用。蒸汽加热的方式同样因热源问题能耗高。因此,结合时下烟气超低排放及节能的要求,MGGH若作为湿烟羽治理的手段之一,具有广阔的应用前景。
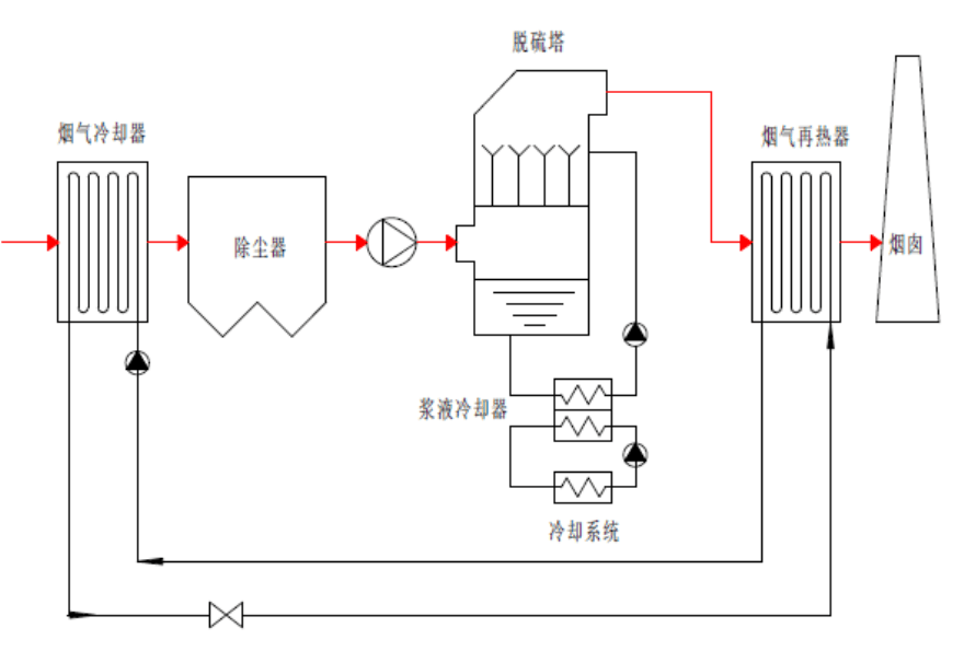
五、烟气冷凝技术
烟气冷凝技术是对脱硫出口的湿饱和烟气进行冷却,使得烟气沿着饱和湿度曲线降温,在降温过程中含湿量大幅下降。湿烟羽消除机理如图3所示。湿烟气初始状态位于A点,经过降温后按AF冷凝,再沿Fc掺混、冷却至环境状态点C,FC变化过程与饱和湿度曲线不相交,因此不产生湿烟羽。
燃煤电厂目前已有烟气冷凝的主要代表技术有:相变凝聚器、冷凝析水器、脱硫零补水系统、烟气余热回收与减排一体化系统等,其特点如表2所示。从这些技术命名可以看出其功能主要考虑的是减排、收水、节能等,在原理上来说,各类技术都是对脱硫后净烟气进行降温,符合了图3的机理,这些技术已在实际应用当中起到了湿烟羽治理的效果。
冷凝技术按换热方式主要分为两大类:间接换热和直接换热。直接换热主要采用新建喷淋塔作为换热设备,有一定占地要求,冷媒与净烟气直接接触,换热效率高,但需要对冷媒水系统进行补充加药控制PH值,系统较复杂。间接换热多采用管式换热器作为换热设备,冷媒与净烟气不直接接触,系统较简单。
根据冷源的不同冷凝技术又分为:水冷源、空气冷源和其他人工冷源。其中水冷源所构成的循环水系统简单,仅配置泵和循环管路,通常是开式循环。运行费用低、占地小。采用空气冷源的系统通常循环水系统中需配置冷却塔,系统较水冷要复杂、占地大,新增的冷却塔会在靠近地面成为新的白烟生成源。其他人工冷源,如热泵,占地面积大,能耗高(以蒸汽溴化锂热泵为例,每交换1MJ热量需要消耗0.7MJ蒸汽)。以环境空气、江河海水作为冷源的系统,其冷源的品质受季节影响较为明显,以华东地区为例,冬季和夏季环境温度相差20—30度,因此同一套系统不同季节的冷凝效果会有较大差别。
烟气冷凝技术对脱硫后湿烟气冷却,使得烟气中大量的气态水冷凝为液滴,在此过程中能够捕捉微细颗粒物¨、SO等多种污染物。因此,烟气冷凝技术作为湿烟羽治理的手段,不仅能够对白烟消除有良好效果,还可以实现烟气多污染物联合脱除,冷凝水可作为脱硫补水使用。
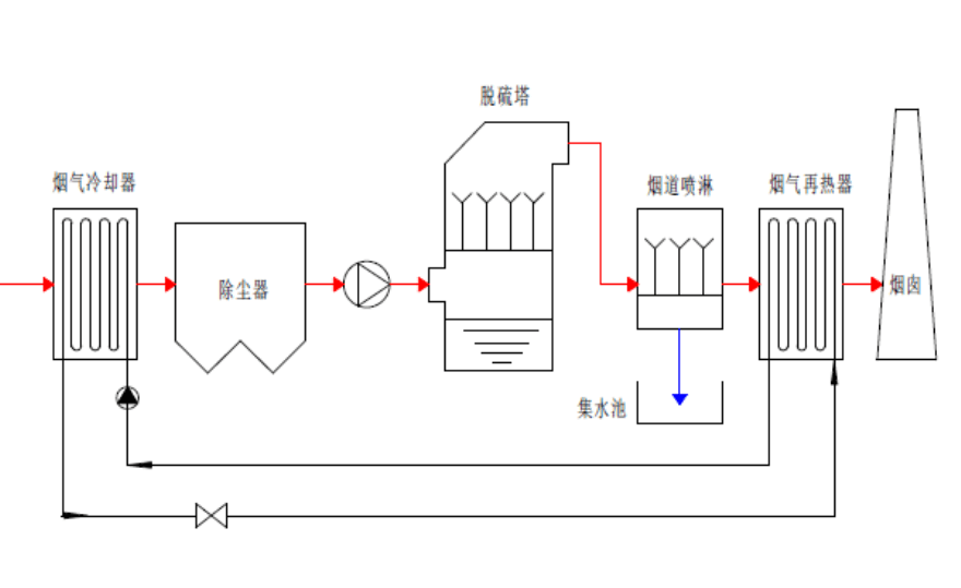
六、烟气冷凝再热技术
烟气冷凝再热技术是前述两种方式组合使用。它的湿烟羽消除机理如图4所示,湿烟气初始状态位于A点,经过降温后按AD冷凝,再沿DE加热,然后沿EC掺混、冷却至环境状态点C,EC变化过程与饱和湿度曲线不相交,因此不产生湿烟羽。湿烟羽的消散机理显示,环境湿度、环境温度对湿烟羽的形成及规模有较大影响¨。理论上,在给定的环境温湿度条件下,若不计代价,加热技术和冷凝技术都能实现湿烟羽的消除(加热温度足够高,冷凝温度足够低),但根据燃煤电厂的实际情况,从经济性出发,单纯的加热和冷凝方式都有各自的限制,加热受到原烟气烟温条件的限制,冷凝受到环境空气、水温度的限制。在此条件下若采用冷凝再热技术,将加热和冷凝结合起来使用,则可扩大系统湿烟羽消除对环境温湿度的适应范围。
例如,湿法脱硫后的饱和湿烟气温度为50%,综合考虑到冷热源选取条件、换热温差等因素,加热法对烟气升温幅度按不超过30"12,冷凝法对烟气烟气降温幅度不超过25%。上述条件下,这三类技术湿烟羽治理效果对环境条件的适应情况,见图5。
适用范围界线以上部分为各类技术的湿烟羽消除区域,显然,降温再热技术对环境条件的适用范围远大于单纯的加热技术和冷凝技术的适用范围。当环境相对湿度80%时,加热技术能在环境温度大于15℃时消除湿烟羽;降温技术能在环境温度大于9~C时消除湿烟羽;冷凝再热技术能在环境温度大于一6.5cC时消除湿烟羽。
几种典型应用
1、锅炉及工业窑炉
脱硫烟气出口温度在45-55℃,烟气温度和湿含量较低,可采用直接加热或直接冷凝技术,也可采用循环水冷却或空 冷,然后利用烟气余热采用GGH或MGGH换热,实现烟气脱白;冷凝水做脱硫工艺 水补充,不破坏脱硫水平衡。
2、钢厂烧结机及竖炉
脱硫烟气出口温度在55-60℃,烟气湿含量相对较高,同时烟气量大,采用循环水冷降温除凝,将烟气温度降至 40-45℃,然后采用MGGH利用烟气余热加热脱白;冷凝水做脱硫工艺水补充,不破坏脱 硫水平衡。
3、焦炉
脱硫烟气出口温度高达65℃,烟气含湿量大,采用循环水冷降温除凝,将烟气温度将至45℃左右,然后采用GGH或MGGH, 利用余热加热湿烟气,蒸汽做补充,烟气直排或回原烟囱热备;产生大量冷 凝水,简单处理循环使用。
典型工艺 路线:
使用情况:
首钢集团公司X焦化公司配合低温脱硝、氨法脱硫,采用GGH技术利用烟气余热实现脱硫烟气脱白,于2017年4月投入 运行,效果良好。























冀公网安备13010402003046号