平台客服电话:4006299930
选择频道搜索
单价
电议
品牌
江润
起订
平台服务
货源所在商家已经通过深度核验
江苏 南通市
河北 沧州市
2024-12-23
2024-11-28
2024-11-10
产品详情
规格参数
产品图集
品牌:
单价:
面议
起订:
总量:
0
地址:
江苏南通市
发货:
付款后3天
产品介绍
一、概述
ZGJ系列座式管夹适用于以油、水、气为介质的固定及振动的管道,可在-5~+110℃的环境温度下正常使用。塑料管夹结构简单,外形美观、安装规范、拆洗方便、可组合安装,具有减振、消音、耐腐蚀等优点,是理想的管道固定部件。
二、型号说明
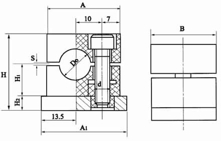
三、外形尺寸 ZGJS1型塑料轻型座式管夹 适用于公称压力≤10MPa无振动的管路。
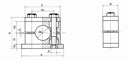
ANNS2塑料中型座式管夹适用于公称压力≤20MPa无振动的管路。
一、外形尺寸 ZGJS3重型座式管夹 适用于公称压力≤40MPa能承受轻微振动的管路。
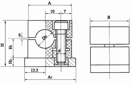
ZGJS4型重型座式管夹适用于公称压力≤40MPa, 能承受有一定振动的管路。
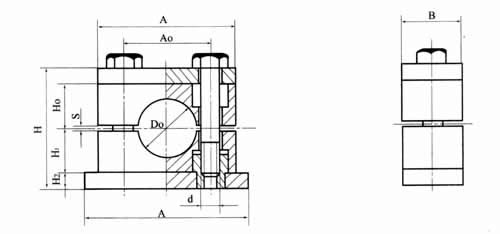
ZGJL3铝合金重型座式管夹适用于公称压力≤40MPa能承受轻微振动的管路。
ZGJL3型铝合金轻型座式管夹适用于公称压力≤10MPa无振动的管路。
ZGJL3铝合金重型座式管夹适用于公称压力≤40MPa, 能承受有一定振动的管路。
免责说明:中商114行业资源网为国内互联网信息服务提供者,平台内所展示的商品/服务的标题、价格、详情等信息内容系由店铺经营者发布,其真实性、准确性和合法性均由店铺经营者负责。中商114行业资源网提醒您购买商品/服务前注意谨慎核实,如您对商品/服务的标题、价格、详情等任何信息有任何疑问的,请及时通过电话与店铺经营者沟通确认;如您发现店铺内有任何违法/侵权信息,请立即向中商114行业资源网举报并提供有效线索,我们会积极协助配合。
温馨提示:为规避购买风险,建议您在购买商品前务必确认供应商资质及质量。
启东江润液压润滑设备有限公司发布的ZGJ系列座式管夹图集库
客服
客服热线:4006299930
顶部