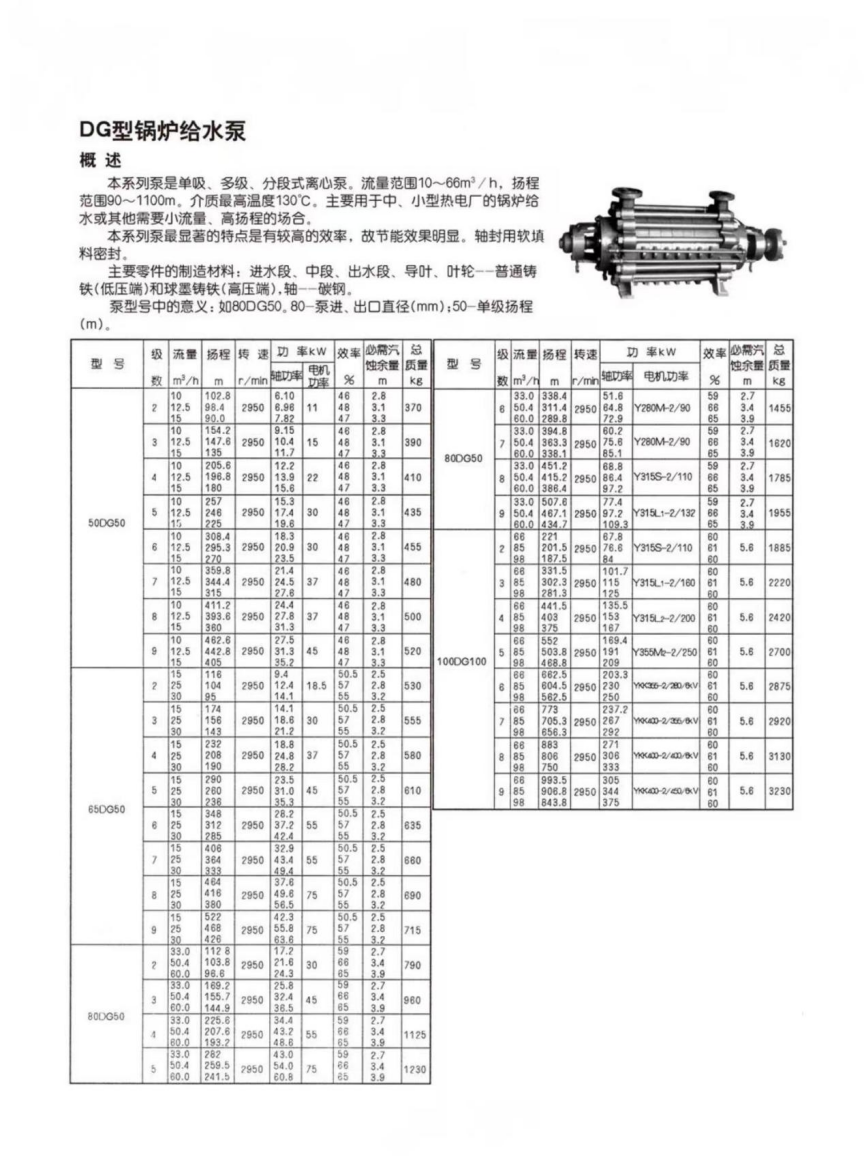
DG系列高压锅炉给水泵

DG系列产品介绍
DG型卧式多级锅炉给水泵是我厂根据工业锅炉给排水有关规范开发的新产品。由于采用了国家推荐使用的高效节能产品的水力模型,因此DG型泵效率高、性能范围广、更好地满足使用要求。在结构上采用了卧式、多级泵分段形式,因而运转安全、平稳、噪音低、寿命长、安装维修方便。此型泵特别适用于工业锅炉供排水、冷却水输送等。也可以通过改变材质、密封形式和增加冷却系统用于输送热水、油品、腐蚀介质等,广泛适用于石油化工、热水循环、环保产业、纯净水输送等行业。输送介质温度为:-20°C~150°C。








































冀公网安备13010402003046号